GE IS200TBAIH1CDD
  • GE IS200TBAIH1CDD GE IS200TBAIH1CDD
  • GE IS200TBAIH1CDD GE IS200TBAIH1CDD
  • GE IS200TBAIH1CDD GE IS200TBAIH1CDD

GE IS200TBAIH1CDD

GE IS200TBAIH1CDD là bảng mạch đầu vào tương tự 16 kênh được General Electric thiết kế cho các hệ thống điều khiển quá trình và tuabin Mark VIe và Mark VIeS tiên tiến của hãng. Bo mạch này là thành phần giao diện vật lý quan trọng trong kiến ​​trúc hệ thống I/O Mark VIe.

Gửi yêu cầu

Mô tả Sản phẩm

Sản xuất
GE
Số mô hình
IS200TBAIH1CDD
Loạt
Mark VIe
nước xuất xứ
Hoa Kỳ
MÃ HS
8504902000
Kích thước
20*5*5cm
Kích thước đóng gói
20*5*5cm
Cân nặng
0,7kg

Tổng quan về sản phẩm

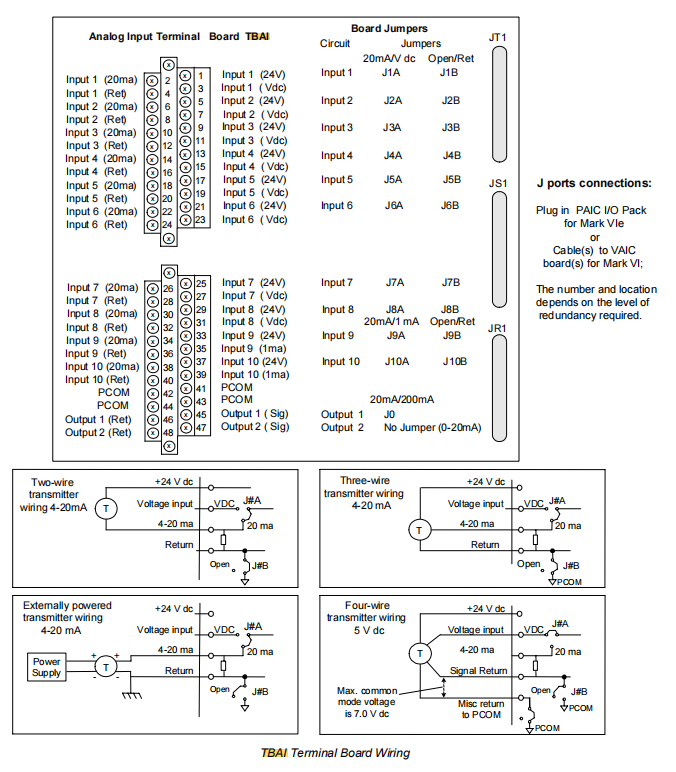
GE IS200TBAIH1CDD là bảng mạch đầu vào tương tự 16 kênh được General Electric thiết kế cho các hệ thống điều khiển quá trình và tuabin Mark VIe và Mark VIeS tiên tiến của hãng. Bo mạch này là thành phần giao diện vật lý quan trọng trong kiến ​​trúc hệ thống I/O Mark VIe. Chức năng cốt lõi là thiết lập kết nối điện an toàn, đáng tin cậy và tiêu chuẩn hóa giữa các thiết bị hiện trường và mô-đun xử lý I/O bên trong của hệ thống điều khiển. IS200TBAIH1CDD không thực hiện xử lý hoặc chuyển đổi tín hiệu. Nó là một trung tâm dây mật độ cao, không có nguồn điện. Các tín hiệu tương tự tiêu chuẩn như 4-20mA hoặc ±10V DC từ trường được kết nối với bảng đầu cuối này thông qua cáp được bảo vệ, sau đó tín hiệu được truyền đến mô-đun VAIC được lắp đặt trong giá I/O của tủ điều khiển thông qua cáp ruy băng mật độ cao, chuyên dụng. Thiết kế tách biệt "board đầu cuối + cáp ruy băng + thẻ I/O" này là một tính năng nổi bật của hệ thống Mark VIe, giúp đơn giản hóa đáng kể việc đi dây tại chỗ, bảo trì hệ thống và xử lý sự cố lỗi.

Tính năng và ưu điểm của sản phẩm

Đạt được sự tách biệt hoàn toàn giữa "lớp vật lý" và "lớp điện tử" - nền tảng của độ tin cậy của hệ thống

Trong môi trường công nghiệp, lỗi nối dây, đoản mạch cáp và tăng điện áp cảm ứng là những nguyên nhân gây ra lỗi phổ biến. TBAI, với tư cách là một bảng đầu cuối thụ động, hoạt động như "tường lửa" đầu tiên. Bất kỳ lỗi điện nào xảy ra ở phía hiện trường sẽ chỉ giới hạn ở bo mạch đầu cuối và các cáp được kết nối của nó, đồng thời sẽ không truyền trực tiếp đến mô-đun bộ xử lý VAIC I/O đắt tiền và chính xác. Ngay cả khi bảng đầu cuối bị hỏng do điều kiện khắc nghiệt, chi phí và thời gian thay thế vẫn thấp hơn nhiều so với việc thay thế thẻ I/O tích hợp các mạch điều hòa tín hiệu phức tạp và chip ADC.

Bằng cách tách biệt về mặt vật lý khu vực nối dây trường có độ ồn cao khỏi khu vực điện tử kiểm soát độ ồn thấp, thiết kế EMC của hệ thống Mark VIe được đơn giản hóa. Mô-đun VAIC có thể được triển khai ở vị trí sạch hơn và được che chắn tốt hơn trong tủ điều khiển, trong khi bảng TBAI xử lý tất cả các kết nối trường bẩn. Chiến lược phân vùng này tăng cường đáng kể khả năng chống nhiễu của toàn bộ hệ thống I/O.

Chế độ bảo trì ngoài tủ mang tính cách mạng là hệ số nhân hiệu quả hoạt động

GE IS200TBAIH1CDD thân thiện với việc bảo trì trong toàn bộ vòng đời của nó, từ vận hành dự án, kiểm tra hàng ngày đến xử lý lỗi và đại tu thiết bị. Nhân viên bảo trì hầu như không cần phải mở cửa tủ điều khiển chính. Các kỹ sư thiết bị có thể độc lập hoàn thành mọi nhiệm vụ tại bảng đầu cuối:

Việc tiêm tín hiệu sử dụng bộ tạo tín hiệu để đưa tín hiệu 4-20mA tiêu chuẩn vào thiết bị đầu cuối để xác minh xem toàn bộ chuỗi tín hiệu từ bảng đầu cuối đến HMI có bình thường hay không.

Ngắt kết nối đường dây đầu ra của thiết bị và kết nối trực tiếp thiết bị hiệu chuẩn trên thiết bị đầu cuối để hiệu chỉnh điểm/phạm vi 0 của máy phát trường mà không ảnh hưởng đến hoạt động của hệ thống điều khiển.

Khi tín hiệu AI bất thường, trước tiên kỹ sư sẽ đo tín hiệu ở bảng đầu cuối. Nếu tín hiệu bình thường thì vấn đề nằm ở phía hệ thống; nếu tín hiệu bất thường thì vấn đề nằm ở phía hiện trường. "Phương pháp định vị nhị phân" này giúp giảm hơn 50% thời gian sửa chữa lỗi trung bình.

Hỗ trợ các hoạt động trao đổi nóng Trong các hệ thống Mark VIe được cấu hình với các mô-đun VAIC dự phòng, nếu cần thay thế bảng đầu cuối TBAI, nó có thể được ngắt kết nối khỏi cáp xoắn và thay thế trong khi hệ thống đang chạy, đạt được khả năng bảo trì "không có thời gian ngừng hoạt động" thực sự, tuân theo các quy trình an toàn nghiêm ngặt.



Sự phát triển sản phẩm và phát triển công nghệ

Sự phát triển của kiến ​​trúc GE I/O thể hiện rõ ràng con đường từ tích hợp đến phân tách và sau đó đến trí tuệ:

Trong những ngày đầu của DCS/PLC, cách tiếp cận phổ biến là kết nối trực tiếp các thẻ I/O, rất khó bảo trì và tiềm ẩn rủi ro cao.

Trong kỷ nguyên Mark VIe, một kiến ​​trúc I/O hoàn toàn tách biệt đầy sáng tạo đã được giới thiệu. Sự xuất hiện của các bo mạch đầu cuối TBAI/TBAO là kết quả của việc theo đuổi mục tiêu cao độ về khả năng bảo trì và độ tin cậy trong thực hành kỹ thuật. Ý tưởng thiết kế này tỏ ra rất thành công và được nhiều nhà sản xuất DCS cao cấp khác áp dụng.

Mark VIeS & Beyond hiện tại và tương lai:

Kiến trúc tiếp tục kế thừa hoàn toàn kiến ​​trúc tách biệt hoàn thiện và đáng tin cậy của hệ thống Mark VIeS. Vai trò của bảng đầu cuối TBAI không thay đổi.

Mặc dù các thiết bị đầu cuối thông minh hiện đang thụ động nhưng xu hướng của ngành là hướng tới các thiết bị đầu cuối thông minh chủ động. Các bo mạch đầu cuối trong tương lai có thể tích hợp các trạm chính IO-Link hoặc bộ ghép kênh HART, không chỉ có thể truyền tín hiệu chính mà còn đọc thông tin chẩn đoán và cấu hình của các thiết bị.

Phần bổ sung về khả năng không dây dành cho các điểm giám sát không quan trọng hoặc khó đi dây. Bộ phát không dây đang trở thành một sự bổ sung mạnh mẽ cho TBAI có dây, nhưng các vòng điều khiển quan trọng vẫn chủ yếu có dây.


Thẻ nóng:

Danh mục liên quan

Gửi yêu cầu

Xin vui lòng gửi yêu cầu của bạn trong mẫu dưới đây. Chúng tôi sẽ trả lời bạn trong 24 giờ.
X
Chúng tôi sử dụng cookie để cung cấp cho bạn trải nghiệm duyệt web tốt hơn, phân tích lưu lượng truy cập trang web và cá nhân hóa nội dung. Bằng cách sử dụng trang web này, bạn đồng ý với việc chúng tôi sử dụng cookie. Chính sách bảo mật
Từ chối Chấp nhận